For full functionality of this site it is necessary to enable JavaScript.
EMIN.COM.LA
0
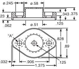
Keystone Electronics 4635 ຕິດຕັ້ງ TO-66 TRANS COVER | EMIN.COM.LA