ຮັບສ່ວນຫຼຸດພິເສດຕາມປະລິມານ, ອັບເດດລາຄາຂາຍສົ່ງ ແລະ ການແຈ້ງເຕືອນສິນຄ້າໃໝ່ສົ່ງກົງເຖິງອິນບັອກຂອງທ່ານ.
ໂດຍການສະໝັກສະມາຊິກ, ທ່ານຍອມຮັບ ເງື່ອນໄຂການໃຫ້ບໍລິການ ແລະ ນະໂຍບາຍຄວາມເປັນສ່ວນຕົວ ຂອງພວກເຮົາ.
ເຂົ້າເຖິງຜູ້ຊ່ຽວຊານທີ່ໄດ້ຮັບການຢັ້ງຢືນຂອງພວກເຮົາໂດຍກົງ
ຮັບສ່ວນຫຼຸດພິເສດຕາມປະລິມານ, ອັບເດດລາຄາຂາຍສົ່ງ ແລະ ການແຈ້ງເຕືອນສິນຄ້າໃໝ່ສົ່ງກົງເຖິງອິນບັອກຂອງທ່ານ.
ໂດຍການສະໝັກສະມາຊິກ, ທ່ານຍອມຮັບ ເງື່ອນໄຂການໃຫ້ບໍລິການ ແລະ ນະໂຍບາຍຄວາມເປັນສ່ວນຕົວ ຂອງພວກເຮົາ.
ເຂົ້າເຖິງຜູ້ຊ່ຽວຊານທີ່ໄດ້ຮັບການຢັ້ງຢືນຂອງພວກເຮົາໂດຍກົງ

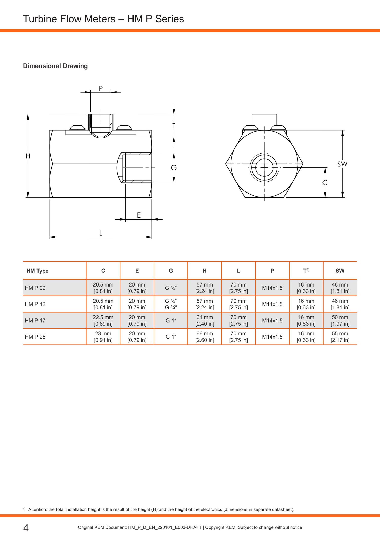
Technical Data – Sizes
HM types: HM P 17
Measuring Range (l/min): 15 - 150 L/min
K-Factor (pulses/l): 309 (pulses/l)
Max. Pressure: 20 [290] (bar/psi)
Max. Frequency (Hz): 770 Hz
Weight: 0.9 kg
Technical Data – General
Repeatability: ±0.05 % (under the same condition)
Linearity: ±2.5 % of actual flow (viscosity = 1 mm²/s)
Viscosity Range: 0.8 up to 10 mm2/s
Materials
Housing: as per DIN 1.4305 [AISI 303]
Wheels: as per DIN 1.4122]
Bearing: Brass, Ceramics
Seals: FKM, Graphite
Medium Temperature: -60 °C up to +350 °C [-76 °F up to +662 °F]
Dimensions: See dimensional drawing
See datasheet for choosing suitable configurations!