For full functionality of this site it is necessary to enable JavaScript.
EMIN.COM.LA
0
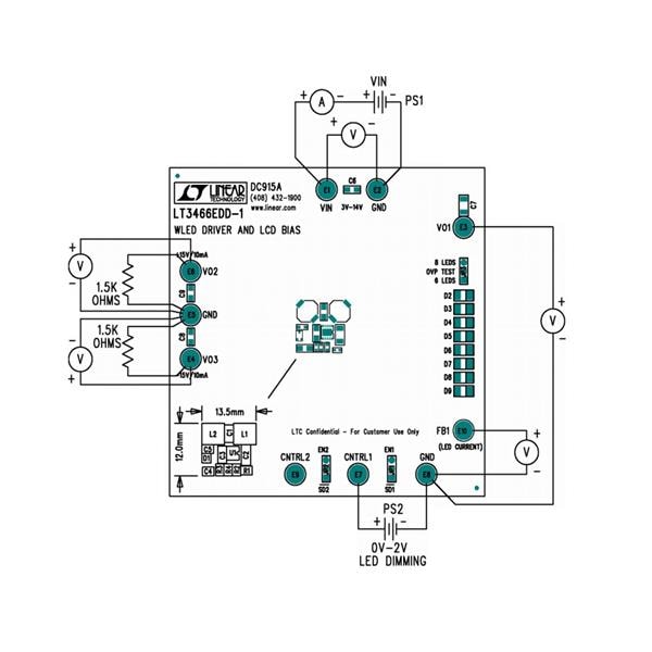
Analog Devices DC915A ບອດສະແດງ LT3466EDD-1/ ຄອນດັບ WLED ແລະ ການປະຕິບັດ LCD Bias | EMIN.COM.LA